目前,根據國內外的許多實驗研究與使用實踐表明,金剛石干切王鋸片的鍍覆技術最為有效的使用條件與范圍如下:
金剛石工具類陶瓷切割鋸片的基體一般是由65Mn、T12等材料組成的,在經過淬火和中溫回火熱處理加工制造而成。
以下是關于使用墻槽切割片的安全小告示,安全很重要,多注意這些細節點,就會減少發生意外的幾率!
首先來說說CBN磨具的含義,CBN磨具是具有不同類型的結合劑將CBN磨料粘接在一起并制作成一定形狀的一種工具,它需要運用合理的磨削工藝,依靠磨床的優越性能,可以發揮更大的作用。以對金剛石(CBN)磨具技術的分析來更好的了解如何提高磨削效益!
微晶石是相對一般的拋光磚來說較厚一些,一般最好采用專業的微晶石鋸片在臺式介磚機上切割。那么,在微晶石切割完成之后,進行鋪貼時應該注意一些什么呢?
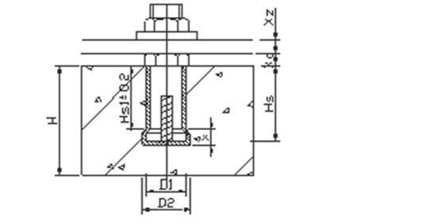
通常,被瓷磚切割片加工完成的瓷磚板,上墻的形式有兩種,分別是背栓式和扣側槽式,下面要了解的是背栓式。
隨著市場對石材需求的增加,對于大規格的石材板材的需求也在增加,以前依賴框架式噴砂鋸石材機,不僅設備貴,而且加工出來的毛板度差,拋光工序復雜費用高。近年來,超薄的金剛石圓鋸片,為新型的板材加工設備創造奠定了基礎。那么,新型的金剛石圓鋸片圓盤鋸石機具有哪些特點呢?
瓷磚鋸片在研制方法上的改進,讓許多瓷磚鋸片的品牌越做越好,下面來看看它的具體的研制方法。